ETRI-Knowledge Sharing Plaform

KOREAN
특허 검색
Status Country
Year ~ Keyword

Detail

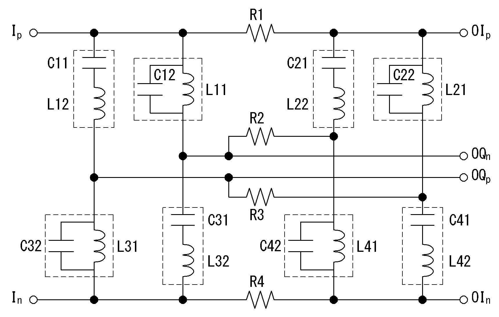
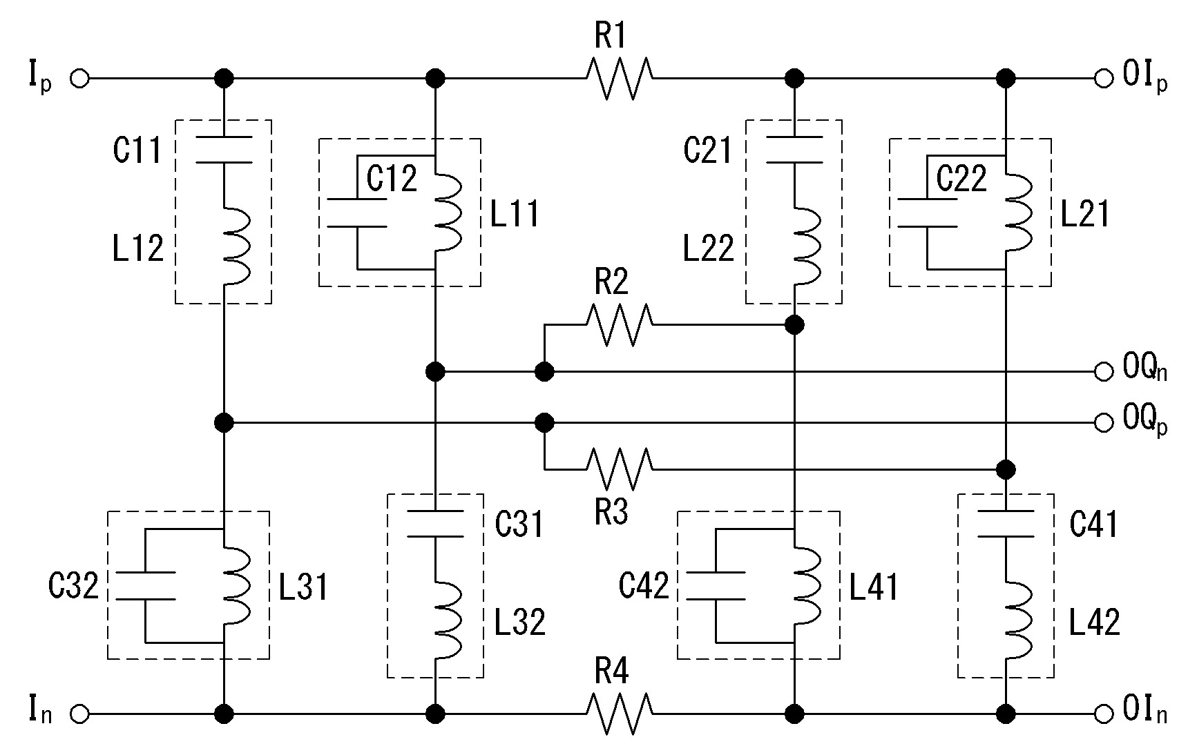
Registered 위상 배열 안테나 시스템을 위한 직/병렬 공진 회로를 이용하는 이중 대역 360도 위상 천이기

위상 배열 안테나 시스템을 위한 직/병렬 공진 회로를 이용하는 이중 대역 360도 위상 천이기
이미지 확대
Inventors
문성모, 임준한, 박진석, 장동필
Application No.
10-2021-0192319 (2021.12.30)
Publication No.
10-2023-0102301 (2023.07.07)
Registration No.
10-2672269-0000 (2024.05.30)
Country
KOREA
Project Code
21HH1900, Development of Core Technology for Satellite Payload, Chang Dong Pil
Abstract
위상 배열 안테나 시스템 구현을 위한 핵심 다채널 RFIC의 블록인 위상 천이기를 구현하기 위해 다상 필터에 직/병렬 공진회로를 적용한 이중 대역 위상 천이기가 개시된다. 이중 대역 위상 천이기는 하나의 주파수 대역에서 동작하는 신호발생기를 이중 대역에서 동작하도록 RFIC 내 LC 회로 또는 CL 회로의 커패시터(C)를 직렬공진회로로, 인덕터(L)을 병렬공진회로로 변경하여 이중대역에서 동작하도록 구성된다.
KSP Keywords
360-degree, Array antenna, Array antenna system, Band 3, Dual-band, Parallel resonance circuit, Phase Shifter, Phase array, Phase array antenna, distributed antenna systems(DAS), parallel resonance, resonance circuit
Family
 
패밀리 특허 목록
Status Patent Country KIPRIS
Registered DUAL-BAND 360 DEGREE PHASE SHIFTER USING SERIES/PARALLEL RESONANCE CIRCUIT FOR PHASED ARRAY ANTENNA SYSTEM UNITED STATES