ETRI-Knowledge Sharing Plaform

KOREAN
특허 검색
Status Country
Year ~ Keyword

Detail

Registered 동적 바이어스 에러오피엠프를 포함하는 밴드갭 전압원

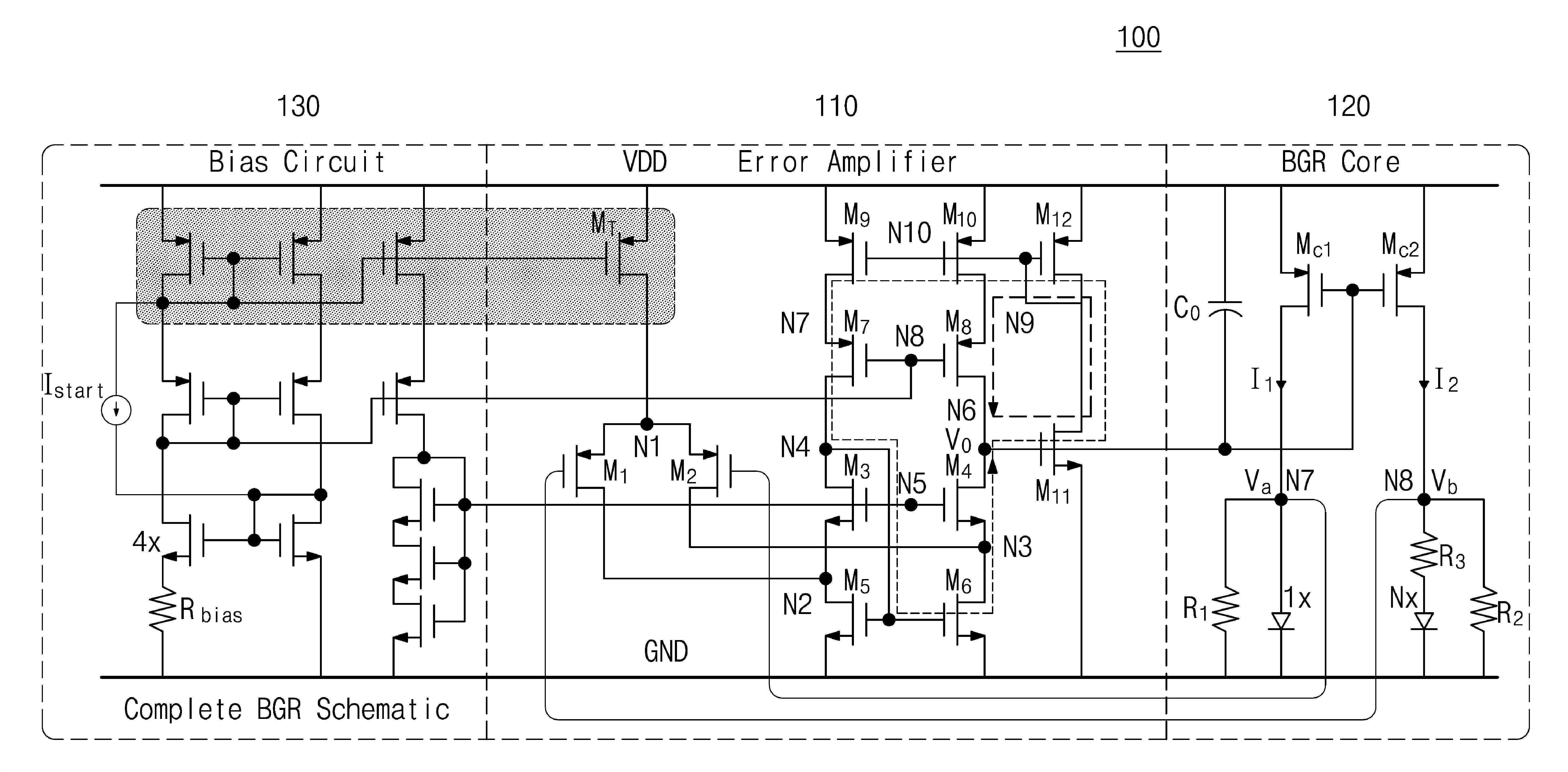
동적 바이어스 에러오피엠프를 포함하는 밴드갭 전압원
이미지 확대
Inventors
이자열, 구본태
Application No.
10-2021-0019022 (2021.02.10) KIPRIS
Publication No.
10-2022-0115739 (2022.08.18)
Registration No.
10-2490834-0000 (2023.01.17)
Country
KOREA
Project Code
20HS2100, Development of personal portable human detection sensor and system for detecting human life and securing rescuer's safety by penetrating invisible env, Koo Bon Tae
Abstract
본 발명의 실시 예에 따른 밴드갭 전압원은 차동 입력단과 캐스코드단으로 구성되며 동적 바이어스에 의한 정궤환 루프와 부궤환 루프 동작을 수행하는 에러오피엠프; 상기 에러오피엠프의 출력단에 연결되고, CTAT 전압을 발생하는 제 1 저항-다이오드 네트워크부와, PTAT 전압을 발생하는 제 2 저항-다이오드 네트워크부를 갖는 밴드갭 코어 회로; 및 상기 에러오피엠프의 차동 입력단과 캐스코드단으로 바이어스 전압을 제공하는 바이어스 회로를 포함한다. 상기 에러오피엠프의 차동 입력단은, 전원 전압과 제 1 노드 사이에 연결되는 테일 트랜지스터; 제 1 게이트 전압의 제어에 따라 상기 제 1 노드와 제 2 노드 사이에 전류 통로를 형성하는 제 1 트랜지스터; 및 제 2 게이트 전압의 제어에 따라 상기 제 1 노드와 제 3 노드 사이에 전류 통로를 형성하는 제 2 트랜지스터를 포함한다. 상기 에러오피엠프의 캐스코드단은 동적 바이어스에 의한 정궤환 및 부궤환 루프를 형성하는 다수의 트랜지스터로 구성될 수 있다. 본 발명은 동적 바이어스에 의한 정궤환 및 부궤환 루프를 활용해서 에러오피엠프의 오프셋 전압을 줄일 수 있다.
KSP Keywords
Biased error, voltage source